行业动态

了解最新公司动态及行业资讯

污染土壤热解析的经济性怎么样

2019-03-14 02:35:05 212 编辑:admin 来源:本站
   日前,污染场地修复已经变成迫不及待需要解决的问题。土壤修复技术包括土壤淋洗,固定化,稳定化技术,热解及生物降解等。其中我国在处理危险废物和污染土壤时大多采用热解修复技术。
土壤热解析
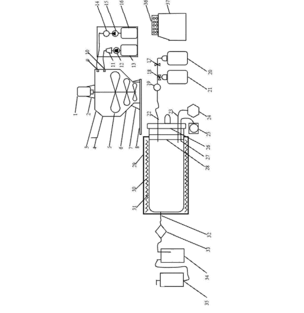
   一种污染土壤热解析修复装置,包括:配料系统、药剂供给系统、土壤处理系统、气体供给系统、控制系统及尾气处理系统。该热解修复装置通过药剂供给系统供给污染泥土处理用的药剂,配料系统实现药剂和污染泥土的均匀混合,提高药剂的利用率,节约处理成本,土壤处理系统可实现污染泥土的快速修复,气体供给系统可根据污染泥土的实际污染类型,选择所需的气体,提高修复效率,缩短修复时间。该污染泥土热解析修复装置集土壤混合、药剂供给、土壤修复于一体,结构紧凑、操作方便,可实现污染泥土修复的快速性和经济性。
 

30

装备制造经验

立即免费获取土壤修复方案

为用户提供及时、高效、便捷的服务

在线咨询
AG视讯环境希望与你携手,共创美好未来...
5